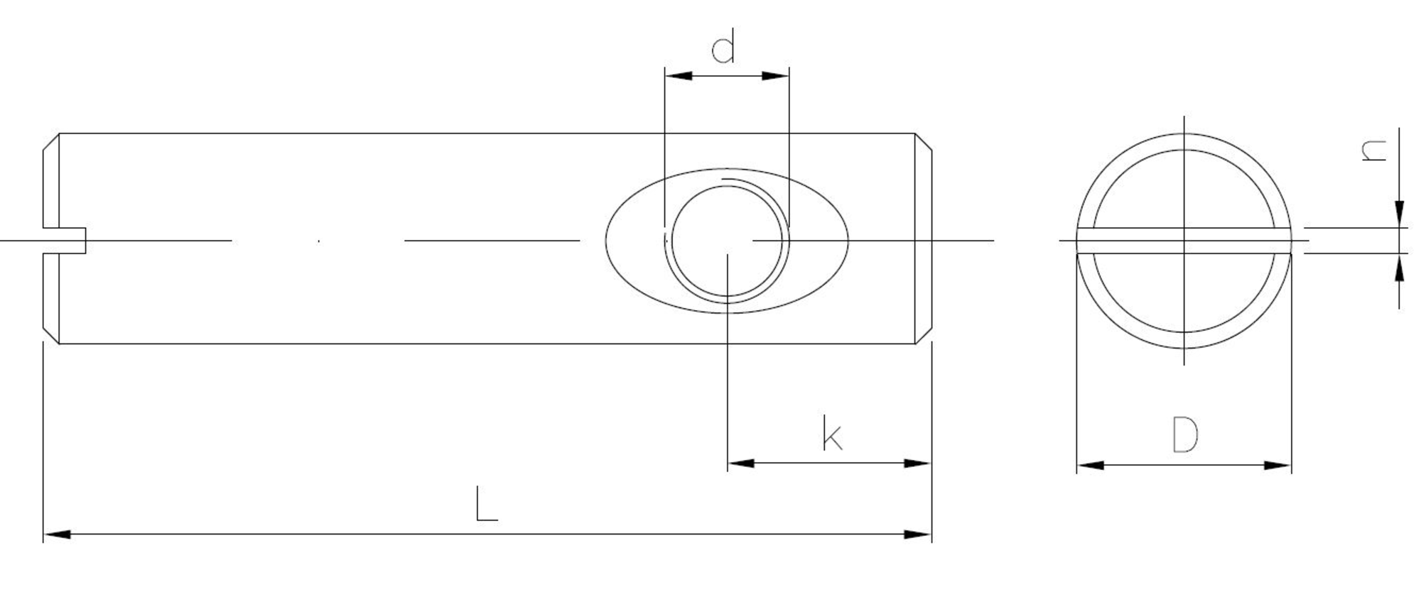
Nakrętka wałeczkowa niesymetryczna
Nakrętka wałeczkowa niesymetryczna to innowacyjny element montażowy, który umożliwia pewne i wygodne mocowanie poprzez wykorzystanie przesuwającego się wałeczka. Jej specjalny design niesymetryczny pozwala na dostosowanie do różnych kształtów i powierzchni, zapewniając trwałe i stabilne połączenia.
Zastosowanie:
Nakrętka wałeczkowa niesymetryczna znajduje zastosowanie w różnorodnych projektach, gdzie wymagane jest pewne i trwałe mocowanie elementów o różnych kształtach i powierzchniach. Jest idealna do zastosowań w przemyśle, budownictwie, mechanice, meblarstwie i innych branżach, gdzie połączenia wymagają elastyczności i stabilności.
Cechy i korzyści:
- Design niesymetryczny pozwala na dostosowanie do różnych kształtów i powierzchni
- Mechanizm przesuwającego się wałeczka zapewnia pewne mocowanie
- Łatwa instalacja i demontaż
- Wytrzymały materiał gwarantuje odporność na obciążenia i warunki atmosferyczne
- Dostępna w różnych rozmiarach i klasach wytrzymałości, dostosowanych do różnych zastosowań
- Łatwa w montażu i integracji z innymi elementami montażowymi
- Doskonała jakość wykonania i trwałość
- Grupa
- 1518
